消防氣體煙霧報警器電路圖以及原理
消防意識在當今社會越來越引起人們的重視。例如火災就直接影響到人生安全以及財產安全。為此,人們運用了聰明的智慧發明制作了相應的消防報警系統,來警惕,保護自身安全,消防氣體煙霧報警器,起到一個引起人們警惕的作用。當煤氣、天然氣、汽油以及各種煙霧濃度到達一定程度時,就會發出警報聲;而當氣體煙霧濃度下降消失時,則停止報警?梢杂糜诩彝ァ⒐S以及公共場所等的消防報警。
消防氣體煙霧報警器電路組成框圖:

消防氣體煙霧報警器焊接電路圖:
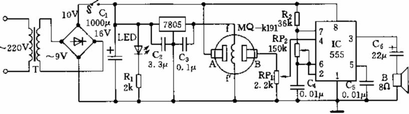
消防氣體煙霧報警器工作原理:
555和R2,RP2,C4組成可控多諧振蕩器。平時,強制復位端4腳處于底電平,555處于停振狀態;當QM型器敏元件檢測到可燃氣體或煙霧時,A—B極間的阻值降低,使4腳電位上升,使得555起振。并通過3腳輸出端驅動蜂嚀器發出報警聲。
以上就是晶盾防盜報警器材廠為你講解的關于:消防氣體煙霧報警器電路組成框圖,消防氣體煙霧報警器焊接電路圖以及消防氣體煙霧報警器工作原理相關的一些知識,希望對大家有所幫助。